News

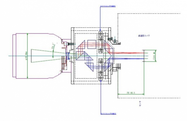
二波長分離ステレオ光学系(光路長同一)を設計/製作を行いました

2024.12.24 コラム

二波長分離ステレオ光学系(光路長同一)を設計/製作を行いました。
異なる波長の映像を同じカメラに同時に映し出すことができます。

ニコンのズームレンズによりズームできます。