Measuring/
Analyzing Device
High-Temperature Industrial Endoscope

Endoscope for observing combustion conditions in automobile engines (heat-resistant up to 800°C)
SPR Sensor

Measuring chemical concentrations online.
Wavelength-Separated Ultra-Weak Light Detection Device

Measuring the faint light emitted during gas turbine combustion by wavelength separation using a photomultiplier tube.
Spectrophotometer for fruit sorting

Measuring the sugar content of “mandarins” and “strawberries” as they pass along a conveyor belt
- Vapor-Deposited Film Transmittance Meter
- Spectrometer
- Infrared Micro-Sensor for Combustion Gas Measurement
- Raman Spectrometer
etc.
Lens Design
(by using ZEMAX)
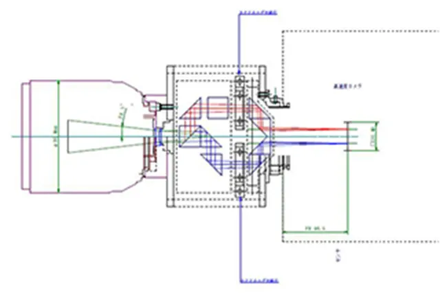
Dual-wavelength separation optical system

Device for measuring the temperature of an arc by measuring the intensity ratio of different wavelengths using the same camera.
Ultraviolet Monochromator

It separates only the required wavelength (or narrow wavelength band) of ultraviolet light, generating monochromatic light suitable for analysis and measurement.
- Large Lenses for Laser Outer Diameter Measurement Instruments
- fθ Lenses
- Ultraviolet/Infrared Achromatic Lenses
- Sapphire and Ceramic Lenses and Prisms
- Focusing and Collimating Lenses for Optical Fibers
- Optical Systems for Laser Ranging Devices
- Optical Systems for Fingerprint Recognition Devices
- Other Various Imaging and Transmission Lenses, Mirrors, and Systems
etc.
Telescopes, Binoculars, Cameras, etc
Long-distance microscope

Device for observing micron-sized objects in inaccessible locations.
Home Planetarium

Projector that projects stars onto the ceiling of your home like a planetarium.
- Astronomical Telescope
- Zoom Binocular Optical System
- Underwater Camera Accessories
etc.
Medical equipment
Microscope with Built-in TV Camera

This microscope system incorporates a camera (TV/digital camera) and displays observation images on a monitor in real time.
Light-Excited Ultrasonic Probe

Focused near-infrared light is irradiated into the deep layers of the skin, and ultrasound generated at abnormal sites is detected and imaged.
- Ophthalmic Examination Equipment
- ENT Surgical Microscope
- Moire Pattern-Based 3D Human Body Measurement Device
etc.
Others
Ship Safety Navigation Monitoring System

Head-up display provides information on the direction and speed of the vessel you are actually observing.
Optical Acoustic Microscope

Non-invasively visualize the internal structure of biological tissue at high resolution.
- High-Speed Defect Sorting System for Agricultural Products Using Image Processing
etc.
